CAD怎么畫一個窗簾掛鉤?
用CAD繪制窗簾掛鉤不是一項簡單的工作,是需要多向思維才可以做出來的。該怎么設計掛鉤呢?下面我們來說一下具體的繪制步驟。

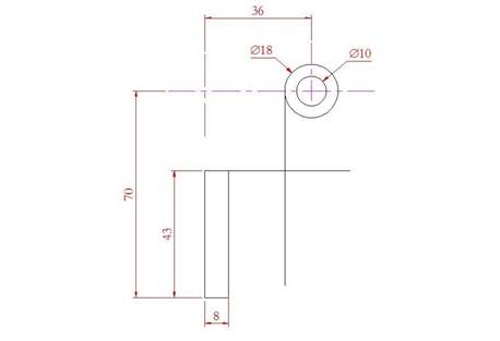
1、做中心線,確定好我們所需的主體關鍵定位點。

2、找到中心線交點,畫直徑18和直徑10的圓,以垂直距離70的下水平中心線做偏移,水平偏移8,向上偏移43,偏移上來的這條線向右邊多拉長一點,在直徑18的圓的左邊的象限點為起點,做一條垂直線向下延長

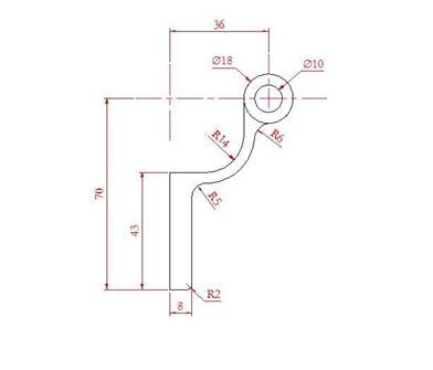
3、用圓角命令,做半徑14的圓,以上一步兩條延長并相交的直線做圓角。用偏移的命令,將半徑14的圓向外(也是向右下方)偏移4,用圓角命令,做半徑5,半徑6,半徑2的圓弧。

4、用水平距離為8的右邊那條垂直線為參照,以條線上的中心為圓心,繪制一個半徑12的圓,然后再把這個圓向右邊移動12,讓其與垂直線相切,用畫圓命令里的(相切、相切+半徑)繪制半徑48的圓。(兩個切點分別在半徑12的圓和直徑18的圓上)

5、把上方的水平中心線向下偏移5。關鍵操作說明:把半徑12、半徑48的圓向下移動一些距離,要移多少呢?看以下說明:我們知道半徑48的圓的圓心是在剛才垂直偏移下來5mm的這條線上,但,但水平距離我們是不知道的,所以才用到剛才半徑12的圓來做參照了。
輸入移動命令(簡寫:M)。選擇半徑12、半徑48的圓,以半徑48的圓的圓心為移動基點,垂直向下移動到5mm的中心線上的垂直點上即可。(注意,這個時候一定要打開正交模式),效果如圖:

6、最后把圖形多余的元素修剪掉,再做尺寸標注,完成。

以上就是繪制窗簾掛鉤的詳細教程,有需要的朋友可以動手試試!
推薦閱讀:中小學綜合實踐活動
推薦閱讀:CAD怎么繪制奧運五環圖形?
· 先鋒匯聚|8月27日-28日廣州,邀您共赴工業軟件國際盛會2025-08-14
· 中望軟件數智化轉型峰會廈門站成功舉辦,“CAD+”戰略賦能福建工業可持續創新2025-07-31
· 中望軟件西安峰會圓滿召開,“數智賦能”助推西部工業轉型升級2025-07-02
· 中望軟件杭州峰會成功舉辦,“CAD+”賦能浙江智造縱深發展2025-06-25
·中望3D 2026全球發布:開啟設計仿真制造協同一體化時代2025-06-13
·中望軟件攜手鴻蒙、小米共建國產大生態,引領工業設計新時代2025-06-01
·中望軟件2025年度產品發布會圓滿舉行:以“CAD+”推動工業可持續創新2025-05-26
·中望CAD攜手鴻蒙電腦,打造“多端+全流程”設計行業全場景方案2025-05-13
·玩趣3D:如何應用中望3D,快速設計基站天線傳動螺桿?2022-02-10
·趣玩3D:使用中望3D設計車頂帳篷,為戶外休閑增添新裝備2021-11-25
·現代與歷史的碰撞:阿根廷學生應用中望3D,技術重現達·芬奇“飛碟”坦克原型2021-09-26
·我的珠寶人生:西班牙設計師用中望3D設計華美珠寶2021-09-26
·9個小妙招,切換至中望CAD竟可以如此順暢快速 2021-09-06
·原來插頭是這樣設計的,看完你學會了嗎?2021-09-06
·玩趣3D:如何巧用中望3D 2022新功能,設計專屬相機?2021-08-10
·如何使用中望3D 2022的CAM方案加工塑膠模具2021-06-24
·CAD為什么經常自動執行復制命令2023-07-11
·CAD怎么旋轉復制對象2021-04-28
·利用cad偏移命令畫矩形里的小矩形2021-04-27
·為什么CAD打開圖紙時在命令行提示而不顯示對話框2018-05-17
·cad陣列對話框出不來2015-11-03
·CAD三維鏡像怎么用2017-04-27
·CAD樣條曲線的作用2020-02-27
·CAD繪制一個簡單的花瓶平面圖的技巧2018-07-10





