在上篇教程中,我們使用中望3D完成了閥的主體部分零件設計操作,在本篇課程將繼續完成剩余部分設計,并對零件進行進一步裝配和渲染,以完成整個設計課程。下面,我們開始閥設計的下半節課程學習。
第一步,在下圖圓柱體端面上創建一個圓柱體,半徑為14mm,長度為22mm,和原造型進行布爾加運算,如圖1所示。
圖1 創建圓柱體-1
第二步,在下圖圓柱體端面上創建一個圓柱體,半徑為17.5mm,長度為5mm,和原造型進行布爾加運算,如圖2所示。
圖2 創建圓柱體-2
第三步,對下圖5個邊進行0.5mm的倒圓角,如圖3所示。
圖3 倒圓角-1
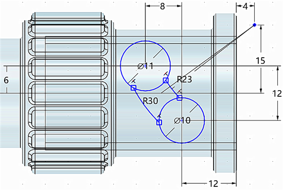
第四步,在下圖端面上創建草圖,繪制草圖進行全約束后退出草圖,參數如圖4所示。
圖4 繪制草圖-1
第五步,對上步草圖進行拉伸,長度為42mm,和原造型進行布爾減運算,如圖5所示。
圖5 拉伸
第六步,在XZ工作平面上創建草圖,繪制下圖草圖,全約束后退出草圖,詳細參數如圖6所示。
圖6 繪制草圖-2
第七步,對上步草圖進行拉伸,拾取三個封閉區域輪廓,類型為對稱,穿過所有,布爾運算為減運算,如圖7所示。
圖7 拉伸對稱
第八步,對上步拉伸所產生孔內部的8個邊進行3mm的倒圓角,完成Valve Fitting零件的設計,退出零件,如圖8所示。
圖8 倒圓角-2
第九步,新建一個名稱為Valve的裝配,插入零件Valve_Fitting,位置在零位,固定組件,如圖9所示。
圖9 插入零件
第十步,插入零件Insert,將Insert和Valve_Fitting進行同心約束,再進行重合約束,如圖10所示。
圖10 約束-1
第十一步,插入零件Needle,將Needle和Valve_Fitting進行同心約束,再進行重合約束,如圖11所示。
圖11 約束-2
第十二步,對Insert添加鉻材質,鋼材質,銅材質,然后保存文件,如圖12所示。
圖12 添加材質-1
第十三步,啟動KeyShot,選擇等角標準視圖,如圖13所示。
圖13 啟動KeyShot
第十四步,移動模型位置,沿Y軸旋轉-80°,如圖14所示。
圖14 移動模型
第十五步,找到下圖材質,并給零件Valve_Fitting和Needle添加該材質,如圖15所示。
圖15 添加材質-2
第十六步,找到下圖材質,給零件Insert添加該材質,如圖16所示。
圖16 添加材質-3
第十七步,使用下圖背景,得到效果,保存渲染文件及文件包,如圖17所示。
圖17 渲染文件
現在,通過中望3D進行閥自下而上設計和渲染課程就全部完成了。希望通過本課程的學習,大家可掌握中望3D中多種回轉體的建模方式、基本裝配以及裝配渲染等操作技巧,大家后續可以設計出更多類型的閥,在中望3D軟件中發掘出更多設計技巧。
馬上下載中望3D2017版,體驗智能設計,讓創意無極限:http://www.zw3d.com.cn/product-58-1.html
移動CAD:http://www.vthen.com/product/yidong.html
CAD培訓:http://www.vthen.com/peixun/
· ZWorld2025|石化行業專題論壇即將啟幕:二三維一體化技術賦能智能化轉型2025-08-20
· ZWorld2025|中望全球生態大會AI+工業軟件創新發展論壇即將開啟2025-08-19
· 破解精密連接難題!ZWORLD中望全球生態大會連接器行業論壇即將開啟2025-08-18
· 先鋒匯聚|8月27日-28日廣州,邀您共赴工業軟件國際盛會2025-08-14
· 中望軟件數智化轉型峰會廈門站成功舉辦,“CAD+”戰略賦能福建工業可持續創新2025-07-31
· 中望軟件西安峰會圓滿召開,“數智賦能”助推西部工業轉型升級2025-07-02
· 中望軟件杭州峰會成功舉辦,“CAD+”賦能浙江智造縱深發展2025-06-25
·中望3D 2026全球發布:開啟設計仿真制造協同一體化時代2025-06-13
·玩趣3D:如何應用中望3D,快速設計基站天線傳動螺桿?2022-02-10
·趣玩3D:使用中望3D設計車頂帳篷,為戶外休閑增添新裝備2021-11-25
·現代與歷史的碰撞:阿根廷學生應用中望3D,技術重現達·芬奇“飛碟”坦克原型2021-09-26
·我的珠寶人生:西班牙設計師用中望3D設計華美珠寶2021-09-26
·9個小妙招,切換至中望CAD竟可以如此順暢快速 2021-09-06
·原來插頭是這樣設計的,看完你學會了嗎?2021-09-06
·玩趣3D:如何巧用中望3D 2022新功能,設計專屬相機?2021-08-10
·如何使用中望3D 2022的CAM方案加工塑膠模具2021-06-24
·cad使用技巧之旋轉、復制旋轉、參照旋轉2019-03-26
·中望CAD 2022新增IFC:搭建二維CAD與BIM“橋梁”2021-08-17
·CAD怎么使用塊標注粗糙度2018-12-05
·CAD建筑標注樣式怎樣創建2016-07-29
·CAD中參照旋轉的方法2017-09-07
·如何更改CAD序號實現遞增2020-02-14
·CAD網絡版查詢服務端正在使用的端口號的方法2024-07-25
·怎么才能在CAD中快速的畫出圓的中心線2017-07-11